以优质的产品﹑优惠的价格﹑优秀的服务回报客户!
Commitment to enhance customer brand image,customer business goals!
抗5G干扰C 波段波导带通滤波器
2020-05-24 19:15:33| 发布者: admin| 查看: 11792
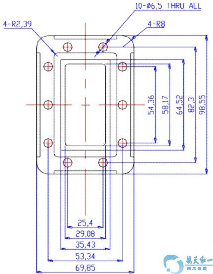
抗5G干扰C 波段波导带通滤波器 C波段波导带通滤波器也称抗5G干扰滤波器,可有效滤除掉C波段卫星电视接收过程中,因手机通信5G基站对卫星接收系统引起的干扰,消除5G干扰使电视画面产生的马赛克,黑屏,卡顿等现象,是国家广电总局推荐的5G基站干扰卫星电视解决方案中的首选设备。 “航天和一”牌抗5G干扰滤波器具有插入损耗小,幅频曲线陡峭,滤波杂波效果好的特点,广泛使用于各级电视台,融媒体中心,广电有限网络公司,无线广播电视发射台,差转台,部队,政府部门,金融机构,大学/科研院所及中央广播电视无线覆盖工程等项目中。 产品型号:HY-3742BPF 产品技术参数:电气指标: 频段(MHz): 3700-4200 插入损耗(dB) :≤0.5 驻波比: ≤1.3 带外抑制(dB): ≥55@3400~3600MHz,≥70@4800~4900MHz 功率容量(W) :100W 端口阻抗(Ω): 50 机械特性: 外形尺寸(mm): 112×99×70 净重(kg): 0.519 接头类型: INPUT:CPR-229G,OUTPUT: CPR-229F 工作温度(℃): -25 to +55 工作湿度 :≤95% 防护等级 :IP65 航天和一HY-3742BPF型波导带通滤波器技术指标媲美加拿大NORSAT诺赛特公司产品,价格却很实惠,外形尺寸与诺赛特公司产C频段抵御5G干扰信号波导带通滤波器一致,可以直接替代其BPF-C-1,BPF-C-2,等型号的产品. 产品外形尺寸结构图:
滤波幅频特性图:
抗5G干扰C 波段波导带通滤波器图片:
C频段抵御5G干扰信号波导带通滤波器与HY-3742D型抗5G干扰分体高频头LNB(降频器)配合使用,抗5G干扰的效果更好!推荐电视台,融媒体中心,广电有线电视网络公司,广播电视发射台,中央广播电视无线覆盖工程等使用。如图:
抗5G干扰C 波段波导带通滤波器 生产厂家,出厂价格
|
网站地图
产品导航:卫星天线 视频编码器 高清编码器 邻频调制器 复用器 数字调制器 QAM调制器 数字电视调制器 卫星接收机 光接收机 有线电视放大器 调制器 H264编码器 干线放大器 酒店IPTV网络互动电视解决方案 酒店数字电视解决方案 酒店卫星电视机房系统 网络视频编码器 宾馆有线电视系统方案
友情链接: 酒店IPTV网络电视设备博客 数字电视设备厂家博客 河北数字电视 江西卫星电视 湖北有线数字电视 安徽卫星电视IPTV 山东数字电视 广东有线电视 福建IPTV网络电视直播 北京IPTV网络电视点播 上海数字电视 江苏卫星电视 浙江有线电视 酒店IPTV网络电视设备 长沙航天和一微博 酒店数字电视设备 湖南电视台 湖南IPTV网络电视 中国有线电视网络 国家广电总局官网 长沙航天和一机电 宾馆IPTV网络电视产品
联系我们:电话:0731-88167648 88147436 手机:13755148565
邮箱:414380395@qq.com 微信号:catv888
地址:湖南省长沙市岳麓区枫林三路217号(航天管理局)
淘宝专营







